தொழில்முறை உற்பத்தியாளர்களில் ஒருவராக, செஹ்னைடர் எலக்ட்ரிக் உங்களுக்கு உயர் தரமான CH3 தொடர் தொடர்பு பெட்டியை வழங்க விரும்புகிறது. விற்பனைக்குப் பிறகு சிறந்த சேவையையும் சரியான நேரத்தில் விநியோகத்தையும் நாங்கள் உங்களுக்கு வழங்குவோம். தொடர்பு பெட்டி எபோக்சி பிசின் மூலம் ஏபிஜி (வார்ப்பு) அழுத்தம் ஜெலேட்டிங் தொழில்நுட்பங்களுடன் உருவாக்கப்படுகிறது, இது பல்வேறு ஹேண்ட்கார்ட் வகை சுவிட்ச் அமைச்சரவையின் காப்பு தனிமைப்படுத்தல் மற்றும் இணைப்பு மாற்றத்திற்கு பயன்படுத்தப்படுகிறது.
1. தயாரிப்பு எபோக்சி பிசின் பொருளை ஏற்றுக்கொள்கிறது
2. இது அதிக அளவு காப்பு, தீவிரம் மற்றும் நிலைத்தன்மையைப் பெறுகிறது.
3. இது பயனரின் தேர்வுக்கு மின்சாரத்தின் அளவின் அடிப்படையில் வெவ்வேறு விவரக்குறிப்புகளை வழங்குகிறது
4. தொடர்பு பெட்டி APG தொழில்நுட்பத்துடன் எபோக்சி மூலம் உருவாக்கப்படுகிறது
சாதாரண வேலை சூழல்
1. உயரம்: ≤1000 மீ
2. -30ºC முதல் +40ºC வரை சுற்றுப்புற வெப்பநிலை, தினசரி சராசரி வெப்பநிலை 30ºC க்கு மேல் இருக்கக்கூடாது.
3. ஈரப்பதத்தின் தினசரி சராசரி 95%க்கும் குறைவாக உள்ளது, சராசரி மாதாந்திர 90%க்கும் குறைவாக உள்ளது.
4. வேலை சூழல் நீராவி, எரிவாயு, ரசாயன அரிக்கும் படிவு, உப்பு மூடுபனி, தூசி, அழுக்கு மற்றும் பிற ஆபத்தான வெடிக்கும் ஊடகங்கள் இல்லாமல் இருக்க வேண்டும், இது தயாரிப்புகளின் காப்பு மற்றும் கடத்துத்திறன் ஆகியவற்றில் கடுமையாக பாதிப்பை ஏற்படுத்தும்.
5. வேலை சூழல் வழக்கமான அதிர்வு அல்லது தீவிரமான புடைப்புகளாக இருக்கக்கூடாது.
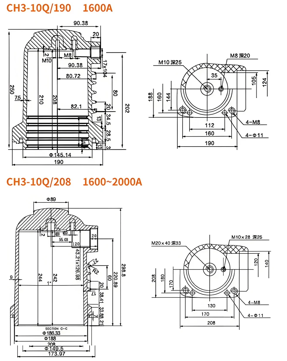
| மாதிரி பெயர்: | CH3-12/190 தொடர்பு போக் |
| பிராண்ட்: | Uyond |
| தட்டச்சு: | தொடர்பு பெட்டி |
| பயன்பாடு: | உயர் மின்னழுத்தம்/சுவிட்ச் கியர் |
| நிறம் | பிரவுன், சிவப்பு |
| தயாரிப்பு சான்றிதழ்: | CE மற்றும் ISO 9001: 2000 |
| மதிப்பிடப்பட்ட மின்னழுத்தம்: | 12 கி.வி. |
| மதிப்பிடப்பட்ட மின்னோட்டம்: | 50 1250-1600 அ |
| மோக்: | 10 பிசிக்கள் |
| பொதி: | 1. ஈச் ஒன்று பிளாஸ்டிக் எஃப்ஐஎம் மூலம் மூடப்பட்டிருக்கும் 2. அட்டைப்பெட்டிகளில் நிரம்பியுள்ளது 3. கார்டன்கள் ஒரு மர பெட்டியில் சீல் வைக்கப்பட்டுள்ளன 4. வழக்குகள் இரும்பு சவால்களுடன் பிணைக்கப்பட்டுள்ளன |
| போர்ட் ஏற்றுகிறது: | ஷாங்காய் போர்ட்/நிங்போ போர்ட் |
| கட்டண விதிமுறைகள்: | எல்/சி, டி/டி, வெஸ்டர்ன் யூனியன் |
| விநியோக நேரம்: | 15 நாட்களுக்குள், ஒழுங்கு அதிர்ச்சியைப் பொறுத்தது |
| கூடுதல்: | 1.oem வரவேற்கத்தக்கது 2. ஹிக்ன் குயாலி & லிம்லி டெவி 3. நியாயமான விலை 4. பல்வேறு வடிவமைப்புகள் மற்றும் விவரக்குறிப்பில் |


முகவரி
சியாங்யாங் தொழில்துறை மண்டலம், யூகிங், ஜெஜியாங், சீனா
டெல்
மின்னஞ்சல்