ஜெஜியாங் செஹ்னைடர் எலக்ட்ரிக் கோ., லிமிடெட்.
ஜெஜியாங் செஹ்னைடர் எலக்ட்ரிக் கோ., லிமிடெட்.
தயாரிப்புகள்
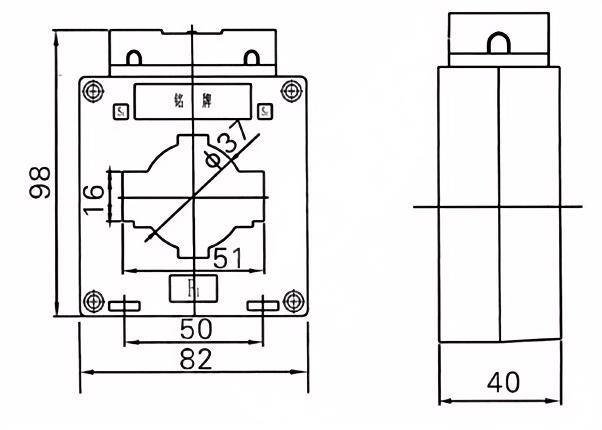
BH-0.66-50 தற்போதைய மின்மாற்றிகள்
  • BH-0.66-50 தற்போதைய மின்மாற்றிகள்BH-0.66-50 தற்போதைய மின்மாற்றிகள்

BH-0.66-50 தற்போதைய மின்மாற்றிகள்

BH-0.66-50 தற்போதைய மின்மாற்றிகள் பல்வேறு தொழில்துறை பயன்பாடுகளில் மின் நீரோட்டங்களை துல்லியமாக அளவிடுவதற்கும் கண்காணிப்பதற்கும் வடிவமைக்கப்பட்ட துல்லியமான கருவிகள் ஆகும். 50A இன் மதிப்பிடப்பட்ட மின்னோட்டம் மற்றும் 0.66 இன் உருமாற்ற விகிதத்துடன், இந்த மின்மாற்றிகள் நம்பகமான மற்றும் துல்லியமான தற்போதைய அளவீட்டு திறன்களை வழங்குகின்றன.

உட்புற எபோக்சி பிசின் தற்போதைய மின்மாற்றி அல்லது உட்புற பிளாஸ்டிக் உறை தற்போதைய மின்மாற்றி

• ஒற்றை கட்டம், இரண்டு கட்டம் அல்லது மூன்று கட்டம்.

• மதிப்பிடப்பட்ட மின்னழுத்தம்: 0.66 கி.வி.

C CT க்கான அளவீட்டு வகுப்பு: 0.2S, 0.2,0.5, 0.5S

• தரநிலை: IEC61869-2

• வகை பெயர்: BH-0.66-50

இந்த உட்புற உலர் வகை தற்போதைய மின்மாற்றி 0.66KV, 0.75KV இல் பயன்படுத்தப்படுகிறது. சக்தி அமைப்பு, அளவிடுதல் மற்றும் பாதுகாப்புக்காக.

இது கியூபிகல் சுவிட்ச் கியரில் அல்லது பே-நிறுவப்பட்ட மாறுதல் நிலையங்களில் பயன்படுத்தப்படுகிறது.

BH-0.66-50 தற்போதைய மின்மாற்றிகள் அதிக வெப்பநிலை உட்புற எபோக்சி பிசின், அளவீட்டுக்கான உருவமற்ற அலாய் கோர் மற்றும் பாதுகாப்புக்காக மையத்திற்குள் உயர் தரம், முதன்மை மற்றும் இரண்டாம் நிலை பயன்பாடு தூய மின்னாற்பகுப்பு செம்பு ஆகியவற்றிலிருந்து தயாரிக்கப்படுகிறது.


விண்ணப்பங்கள்:

மின் விநியோக அமைப்புகள்

ஆற்றல் மேலாண்மை அமைப்புகள்

தொழில்துறை உபகரணங்கள் கண்காணிப்பு

புதுப்பிக்கத்தக்க எரிசக்தி அமைப்புகள்


1. பிரீமியம் பொருட்கள்

உயர் தர கோர்கள்: குறைந்தபட்ச இழப்புகள் மற்றும் அதிக நேர்கோட்டுத்தன்மைக்கு துல்லிய-லாமினேட்டட் சிலிக்கான் எஃகு அல்லது நானோகிரிஸ்டலின் கோர்கள்.  

வலுவான காப்பு: எபோக்சி பிசின் வடிவமைப்புகள் கடுமையான சூழல்களில் நீண்டகால நிலைத்தன்மையை உறுதி செய்கின்றன.  


2. சிறந்த செயல்திறன்

துல்லியம்: அளவீட்டுக்கு வகுப்பு 0.2/0.5, பாதுகாப்பிற்கு 5p/10p, IEC 61869, 60044, IEEE மற்றும் ANSI தரநிலைகளுடன் இணங்குகிறது.  

பரந்த வீச்சு: தனிப்பயன் விகிதங்கள்/அதிர்வெண் (50/60 ஹெர்ட்ஸ்) உடன் 0.6KV-36KV அமைப்புகளை ஆதரிக்கிறது.  

குறைந்த வெப்ப உயர்வு: உகந்த வடிவமைப்பு அதிக வெப்பத்தை குறைக்கிறது, ஆயுட்காலம் நீட்டிக்கிறது.  

ஈ.எம்.சி நோய் எதிர்ப்பு சக்தி: நம்பகமான சமிக்ஞைகளுக்கான மின்காந்த குறுக்கீட்டுக்கு எதிரான கேடயங்கள்.  


3. சேவை மற்றும் ஆதரவு

தனிப்பயன் தீர்வுகள்: வடிவமைக்கப்பட்ட விகிதங்கள், அளவுகள் அல்லது இணைப்பிகள் (எ.கா., டின் ரெயில், ஐ.இ.சி முனையங்கள்).  

உலகளாவிய சான்றிதழ்கள்: IEC, CE, ISO மற்றும் உள்ளூர் கட்டம் ஒப்புதல்கள்.  

வாழ்நாள் முழுவதும் தொழில்நுட்ப உதவி: 24/7 ஆதரவு, நிறுவல் வழிகாட்டுதல் மற்றும் உதிரி பாகங்கள் வழங்கல்.  

விரைவான விநியோகம்: 2-4 வாரங்களில் நிலையான தயாரிப்புகள்; அவசர தேவைகளுக்கான விரைவான விருப்பங்கள்.  


முக்கிய தொழில்நுட்ப அளவுருக்கள்

மதிப்பிடப்பட்ட முதன்மை
மின்னோட்டம் (அ)
துல்லியம்
வகுப்புகள்
சேர்க்கை
மதிப்பிடப்பட்ட இரண்டாம் நிலை வெளியீடு (VA) 1 எஸ் வெப்ப மின்னோட்டம் (கா) மதிப்பிடப்பட்ட டைனமிக் மின்னோட்டம் (கா)
0.2 (கள்) 0.2 0.5 10p10
5-40 0.2/10p10
0.5/10p10
/ 10 10 15 90 என் 220 இன்
5-40 100 இன் 250 என்
5-40 20 50
5-40
5-40 36 90
10
5-40 45 100
5-40 56 100
5-40
5-40 80 110
5-40 100 110




சூடான குறிச்சொற்கள்: BH-0.66-50 தற்போதைய மின்மாற்றிகள்
விசாரணையை அனுப்பு
தொடர்பு தகவல்
  • முகவரி

    சியாங்யாங் தொழில்துறை மண்டலம், யூகிங், ஜெஜியாங், சீனா

  • டெல்

    +86-13506554625

  • மின்னஞ்சல்

    river@dahuelec.com

மேற்கோள் அல்லது ஒத்துழைப்பு குறித்து உங்களுக்கு ஏதேனும் விசாரணை இருந்தால், தயவுசெய்து எங்களுக்கு ரிவர்@டாஹூலெக்.காமில் மின்னஞ்சல் அனுப்புங்கள் அல்லது பின்வரும் விசாரணை படிவத்தைப் பயன்படுத்தவும். எங்கள் விற்பனை பிரதிநிதி 24 மணி நேரத்திற்குள் உங்களைத் தொடர்புகொள்வார். எங்கள் தயாரிப்புகளில் உங்கள் ஆர்வத்திற்கு நன்றி.
X
உங்களுக்கு சிறந்த உலாவல் அனுபவத்தை வழங்கவும், தள போக்குவரத்தை பகுப்பாய்வு செய்யவும் மற்றும் உள்ளடக்கத்தைத் தனிப்பயனாக்கவும் நாங்கள் குக்கீகளைப் பயன்படுத்துகிறோம். இந்தத் தளத்தைப் பயன்படுத்துவதன் மூலம், எங்கள் குக்கீகளைப் பயன்படுத்துவதை ஒப்புக்கொள்கிறீர்கள். தனியுரிமைக் கொள்கை
நிராகரிக்கவும் ஏற்றுக்கொள்